阿里巴巴店铺
网站地图
联系我们
欢迎访问谷子防爆电气有限公司
24小时咨询热线
13818224465
首页
公司简介
产品展示
新闻动态
资质荣誉
防爆常识
联系我们
产品分类
防爆小屋系列
防爆正压柜系列
防爆配电箱系列
防爆电器系列
防爆灯具系列
防爆管件系列
防爆风机系列
防爆防腐系列
三防系列
防爆配件系列
联系我们
谷子防爆电气(上海)有限公司
服务热线:021-52993528
地址 :上海市奉贤区芝江路 258 号
您的位置:
首页
>>
防爆电器系列
>>正文
防爆电器系列
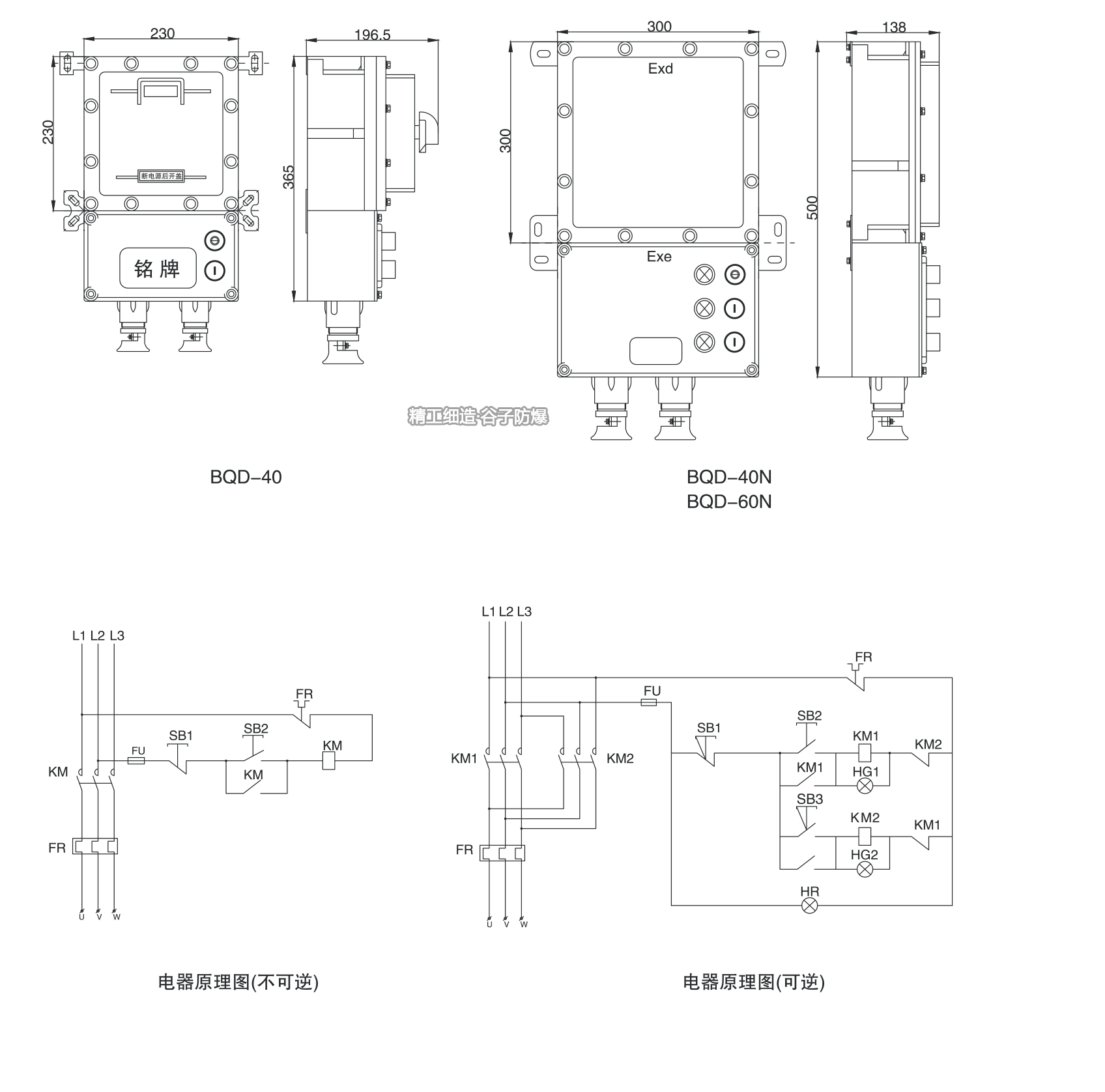
BQC(BQD53)系列防爆磁力启动器
时间:2023-08-10
作者:gzfb
点击:917次
下一篇:
BQJ51系列防爆自耦减压电磁启动器
上一篇:
BLK52系列防爆断路器
发表评论
取消回复
发表评论